Cảm biến đo mức
Cảm biến đo mức radar WSR700
Giới thiệu Cảm biến đo mức radar có thể thực hiện đo liên tục không tiếp xúc chiều cao của chất lỏng trong các thùng chứa kín hoặc hở trong các quy trình sản xuất công nghiệp. Cảm biến đo mức radar
Đặc trưng
- Phạm vi đo: 8m / 15m
- Vùng mù: ≤0,15m
- Góc ăng-ten: ±3°
- Sai số: ±5mm
Số lượng:
- Giới thiệu
- Cảm biến đo mức radar có thể thực hiện đo liên tục không tiếp xúc chiều cao của chất lỏng trong các thùng chứa kín hoặc hở trong quy trình sản xuất công nghiệp. Cảm biến đo mức radar có khoảng cách phát hiện xa và năng lượng chùm tia thấp, có thể được lắp đặt trong các thùng chứa hoặc đường ống kim loại và phi kim loại khác nhau. Thích hợp cho các trường hợp có bụi, sương nước, khí trơ và hơi nước. Máy đo mức radar không gây hại cho cơ thể con người và môi trường, ưu điểm là không bị ảnh hưởng bởi trọng lượng riêng của môi trường, không bị ảnh hưởng bởi sự thay đổi hằng số điện môi, và không cần hiệu chuẩn tại chỗ.
- Đo mức bằng radar là một phương pháp có độ tin cậy và độ chính xác cao để đo mức chất lỏng hoặc chất rắn trong nhiều ứng dụng công nghiệp. Công nghệ này sử dụng sóng điện từ để xác định khoảng cách giữa cảm biến radar và bề mặt vật liệu cần đo.
- Một trong những ưu điểm chính của phép đo mức bằng radar là khả năng cung cấp các phép đo chính xác ngay cả trong môi trường khắc nghiệt mà các phương pháp khác có thể không đáp ứng được. Điều này bao gồm các ứng dụng có nhiệt độ, áp suất hoặc nồng độ bụi hoặc hơi cực cao. Hơn nữa, phép đo mức bằng radar không bị ảnh hưởng bởi tính chất của vật liệu được đo, do đó phù hợp để sử dụng với nhiều loại chất lỏng và chất rắn.
- Một lợi ích khác của đo mức radar là khả năng giám sát liên tục, theo thời gian thực mức vật liệu. Điều này cho phép kiểm soát quy trình công nghiệp hiệu quả và chính xác hơn, giảm thiểu lãng phí và cải thiện năng suất tổng thể. Ngoài ra, đo mức radar có thể được tích hợp với các hệ thống điều khiển quy trình khác, mang đến giải pháp toàn diện cho việc giám sát và kiểm soát công nghiệp.
- Khi lựa chọn hệ thống đo mức radar, điều quan trọng là phải cân nhắc các yếu tố như tần số sóng điện từ được sử dụng, kích thước và hình dạng của cảm biến, cũng như phạm vi đo. Ngoài ra, điều quan trọng là phải đảm bảo hệ thống được hiệu chuẩn và lắp đặt đúng cách để có phép đo chính xác và đáng tin cậy.
- Đặc điểm kỹ thuật
| Sản phẩm | Máy đo mức radar |
| Model | WSR700 |
| Phạm vi đo lường | 8m / 15m |
| Dạng sóng điều chế | FMCW |
| Tần số truyền | 79GHz~81GHz |
| Vùng mù | ≤0,15m |
| Góc ăng-ten | ±3° |
| Sai số | ±5mm |
| Khả năng lặp lại | ±2mm |
| Tốc độ làm mới | ≥500ms |
| Khả năng kháng nước | IP67 |
| Đầu ra truyền tải | (4~20) mA |
| Đầu ra truyền thông | RS485 |
| Nguồn điện | (9~36) VDC |
| Dòng điện làm việc | ≤80mA, 24VDC |
| Tiêu thụ điện năng | ≤1,9W |
| Hằng số điện môi | ≥3 |
| Áp suất quá trình | (-0,1~0,3) MPa |
| Nhiệt độ quá trình | (-40~85)℃ |
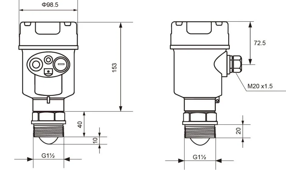
- Kích thước
