Nhiệt độ
Bộ truyền nhiệt độ SUP-ST500 có thể lập trình
Bộ truyền nhiệt độ thông minh gắn đầu SUP-ST500 có thể sử dụng với nhiều loại cảm biến đầu vào [Nhiệt kế điện trở (RTD), Cặp nhiệt điện (TC)], dễ dàng lắp đặt với độ chính xác đo lường được cải thiện so với các giải pháp đo trực tiếp bằng dây.
Đặc trưng
- Tín hiệu đầu vào: Cảm biến nhiệt độ điện trở (RTD), cặp nhiệt điện (TC) và điện trở tuyến tính.
- Đầu ra: 4-20mA
- Nguồn điện: DC12-40V
- Thời gian phản hồi: Đạt tới 90% giá trị cuối cùng trong 1 giây
Đặc điểm kỹ thuật
| Đầu vào | |
| Tín hiệu đầu vào | Máy dò nhiệt độ điện trở (RTD), cặp nhiệt điện (TC) và điện trở tuyến tính. |
| Phạm vi nhiệt độ bù điểm lạnh | -20~60℃ |
| Đầu ra | |
| Tín hiệu đầu ra | 4-20mA |
| Sức cản tải | RL≤(U-10)/0,021 |
| Dòng điện đầu ra của cảnh báo tràn giới hạn trên và dưới | IH=21 mA, IL=3,8 mA |
| Nguồn điện | |
| Nguồn điện | (12-40)VDC |
| Các thông số khác | |
| Thời gian phản hồi | Đạt tới 90% giá trị cuối cùng trong 1 giây |
| Nhiệt độ môi trường đã sử dụng | -40~80℃ |
| Nhiệt độ lưu trữ | -40~100℃ |
| Khả năng chống rung | 4g/2~150Hz |
| Khả năng tương thích điện từ | Tuân thủ các yêu cầu ứng dụng thiết bị công nghiệp GB/T18268 (IEC 61326-1) |
Giới thiệu
Cảm biến nhiệt độ được sử dụng rộng rãi trong nhiều ngành công nghiệp cho các ứng dụng đo lường và điều khiển nhiệt độ. Chúng có độ chính xác cao, độ tin cậy cao và mang lại nhiều ưu điểm so với các thiết bị đo nhiệt độ khác. Một số tính năng và ưu điểm chính của cảm biến nhiệt độ bao gồm:
Độ chính xác cao: Máy đo nhiệt độ cung cấp phép đo nhiệt độ có độ chính xác cao, thường ở mức ±0,1°C hoặc cao hơn.
Cảm biến từ xa: Máy phát nhiệt độ có thể được sử dụng để đo nhiệt độ từ xa, cho phép sử dụng ở những khu vực nguy hiểm hoặc khó tiếp cận.
Truyền thông kỹ thuật số: Nhiều bộ truyền nhiệt độ cung cấp các giao thức truyền thông kỹ thuật số như HART, Foundation Fieldbus hoặc Profibus, cho phép tích hợp dễ dàng với các hệ thống điều khiển quy trình.
Khả năng tự chẩn đoán: Một số bộ truyền nhiệt độ có khả năng tự chẩn đoán có thể phát hiện các vấn đề như cảm biến trôi hoặc suy giảm tín hiệu, cảnh báo người vận hành về các vấn đề tiềm ẩn trước khi chúng gây ra sự cố nghiêm trọng.
Tính linh hoạt: Bộ truyền nhiệt độ có thể được sử dụng trong nhiều ứng dụng khác nhau, bao gồm cả trong môi trường khắc nghiệt hoặc những môi trường đòi hỏi độ chính xác cao.
Một số ứng dụng cụ thể của bộ truyền nhiệt độ bao gồm:
Nhà máy chế biến hóa chất, nhà máy lọc dầu và cơ sở hóa dầu.
Ngành công nghiệp thực phẩm và đồ uống, bao gồm các ứng dụng ủ, chưng cất và làm bánh.
Sản xuất dược phẩm, bao gồm sản xuất và lưu trữ thuốc.
Hệ thống HVAC, bao gồm trong các tòa nhà, bệnh viện và phòng thí nghiệm.
Đo và kiểm soát nhiệt độ trong các nhà máy phát điện, bao gồm cả tua bin và lò hơi.
Bảng loại đầu vào
| Người mẫu | Kiểu | Phạm vi đo lường | Phạm vi đo lường tối thiểu | Sự chính xác |
| Đầu dò nhiệt độ điện trở (RTD) | Phần 100 | -200~850℃ | 20℃ | ±0,2%/±0,4℃ |
| Đồng50 | -50~150℃ | 20℃ | ±1,0%/±1,0℃ | |
| Cặp nhiệt điện (TC) | B | 400~1820℃ | 500℃ | ±0,1%/±1,5℃ |
| E | -100~1000℃ | 50℃ | ±0,1%/±0,5℃ | |
| J | -100~1200℃ | 50℃ | ±0,1%/±0,5℃ | |
| K | -180~1372℃ | 50℃ | ±0,1%/±0,5℃ | |
| N | -180~1300℃ | 50℃ | ±0,1%/±0,5℃ | |
| R | -50~1768℃ | 500℃ | ±0,1%/±1,5℃ | |
| S | -50~1768℃ | 500℃ | ±0,1%/±1,5℃ | |
| T | -200~400℃ | 50℃ | ±0,1%/±0,5℃ | |
| Wre3-25 | 0~2315℃ | 500℃ | ±0,1%/±1,5℃ | |
| Wre5-26 | 0~2310℃ | 500℃ | ±0,1%/±1,5℃ |
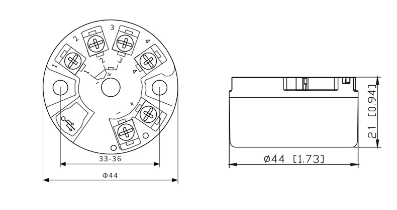
Kích thước sản phẩm

Dây sản phẩm

Lưu ý: không cần nguồn điện 24V khi sử dụng dòng lập trình cổng nối tiếp V8
Phần mềm

Bộ truyền nhiệt độ SUP-ST500 hỗ trợ điều chỉnh tín hiệu đầu vào. Nếu bạn cần điều chỉnh tín hiệu đầu vào, vui lòng cho chúng tôi biết và chúng tôi sẽ cung cấp phần mềm cho bạn.

Với phần mềm, bạn có thể điều chỉnh loại nhiệt độ, chẳng hạn như PT100, Cu50, R, T, K, v.v.; phạm vi nhiệt độ đầu vào.